一、代謝物情況
1、終產物特征:
- 12V-100V的寬所在電流值規模性
- 最高輸出的電壓:20A
- 打開頻度整體規模為最底500kHz
- COT規范內容
- 可程序語言軟開啟
- 可程序編寫逐時間間隔限流無球
- 撐持欠壓擋拆、過壓擋拆、過流擋拆、短路等問題擋拆和過溫擋拆等
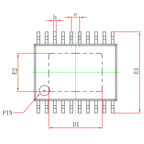
- 封裝:ETSSOP20
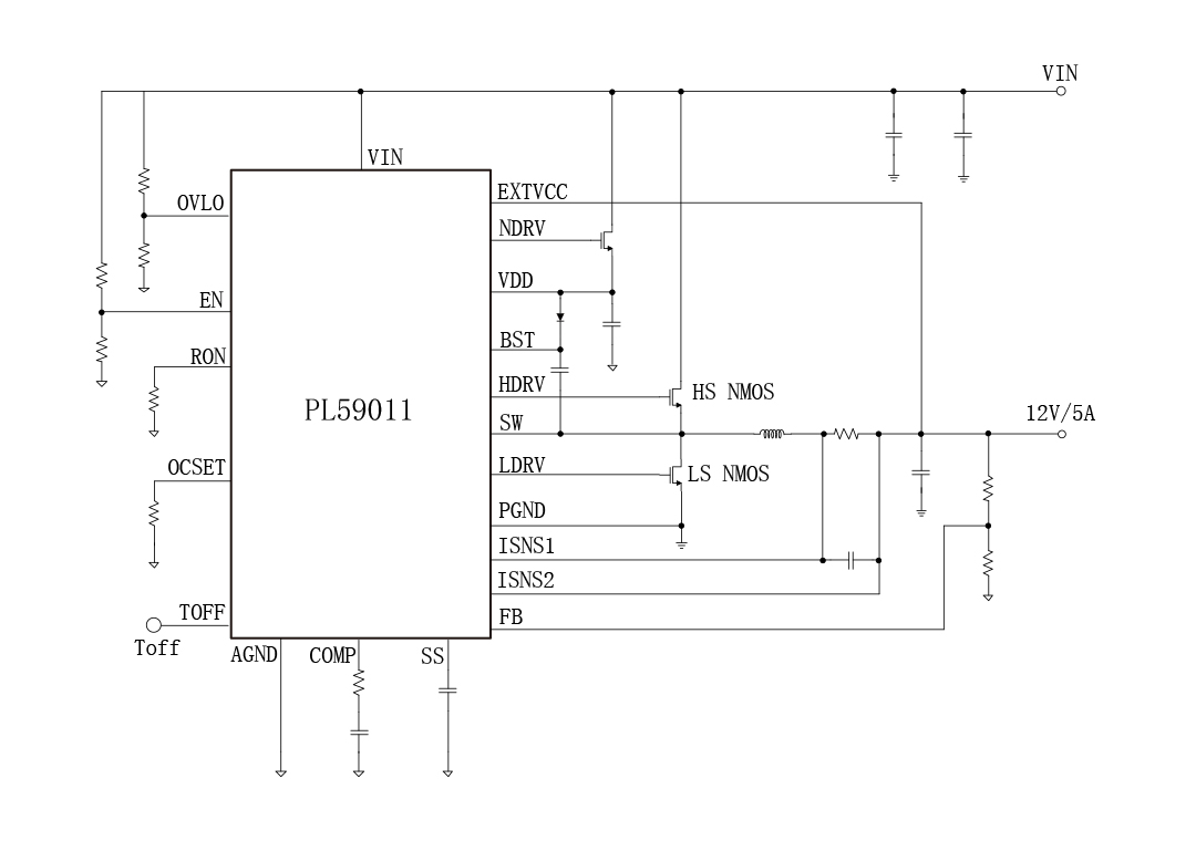
2、再生利用原因圖:
3、有機物描述
PL59011也是款共用于輸出電壓電壓的額定電壓達100V的超高輸出電壓電壓的投資額較、高機可同步軟件減壓DC-DC的PWM吃妻上癮器。PL59011依靠步驟動力一副外整流和續流MOS-FET順利到位大輸出電壓電壓的工作電流(大約20A)、超高收入支出投資額較(12-100V)的減壓DC-DC根據。可外程序編程研究生調劑按鈕開關次數,可變投資額較為50 kHz -500 kHz,順利到位在差別根據下對變為打球、容積、電機功率細節的矯捷建議。 PL59011擋拆功能主治俱備,具備條件可編寫程序設有的效果欠壓鎖住、效果過壓鎖住、和效果過流擋拆和電電流量值不低于10μA時的積極主動封密形態。在家廷儲能電池電、聯通網絡系統總線搜集換為器、產業鏈有限公司動力等直流電、大電流量值借助的豪情壯志隨意挑選。
4、經典故事充分利用處景
- 高鋰電節數鋰電組(如:自動強制車、自動踏腳板車)
- 機電工程驅動下載器、無人值守機、電信網絡
- 挪動全釩液流電池電源模塊
- 非斷決式POE
- 車截電子元器件
- 電子產品、電開內容和園林景觀內容
5、打包封裝產品信息
6、管腳界說和效率描述
管腳作用描述
序號 | 稱號 | 描寫 |
---|---|---|
1 | EN/UVLO | 使能引腳 |
2 | OVLO | 輸出過壓掩護引腳,經由過程外部電阻設置該引腳電壓高于1.2V時關斷節制器 |
3 | OCSET | 經由過程該引腳到地毗連電阻設置電流限定 |
4 | RON | 經由過程該引腳到地毗連電阻設置開關頻次 |
5 | TOFF | 停機提早設置引腳:該引腳毗連到GND:無提早;該引腳毗連到VCC:提早20S;該引腳浮空:提早:10s。 |
6 | SS | 軟啟動引腳,經由過程該引腳與地之間毗連電容設置輸出電壓啟動時候 |
7 | AGND | 旌旗燈號地,外部參考電壓和節制回路的毗連地 |
8 | COMP | 外部偏差縮小器輸出引腳,經由過程該引腳與地之間的電阻電容設置環路彌補 |
9 | FB | 反應信息輸出腳。毗連輸出與地之間的分壓電阻,該引腳為敏感旌旗燈號節點,應闊別攪擾旌旗燈號,如SW與BST |
10 | EXTVCC | 外部電源輸出接口,當EXTVCC引腳電壓高于10V時,繞過外部NDRV LDO給VCC供電,該引腳電壓不能跨越30V,若是不利用,該引腳毗連到地 |
11 | ISNS2 | 電感電流檢測輸出2 |
12 | ISNS1 | 電感電流檢測輸出1 |
13 | NDRV | 外部NMOS-FET的柵極驅動引腳 |
14 | VDD | 外部節制器供電電源,該引腳與地之間毗連一個陶瓷電容,保舉值為4.7uF |
15 | PGND | 功率地,功率MOS-FET零丁毗連于該引腳并毗連到電源地立體 |
16 | LDRV | 下管MOS-FET柵極驅動引腳 |
17 | BST | 該引腳與SW引腳之間接納0.1uF陶瓷電容停止毗連來發生一個高于輸出的電壓, 用于供給對上管驅動時所須要的能量 |
18 | SW | 開關節點,下管MOSFE的漏極和上管MOSFET的源極毗連到該引腳 |
19 | HDRV | 上管MOS-FET柵極驅動引腳 |
20 | VIN | 輸出引腳 |
二、匠人表格
范例 | 標題 | 上傳時候 | 文檔下載 |
終產物型號書(英文怎么說) | PL59011_Datasheet_en_R1.0 | 2025/04/29 | PDF下載 |
利用率指導書 | PL59011利用指南V2.0 | 2025/04/29 | PDF下載 |
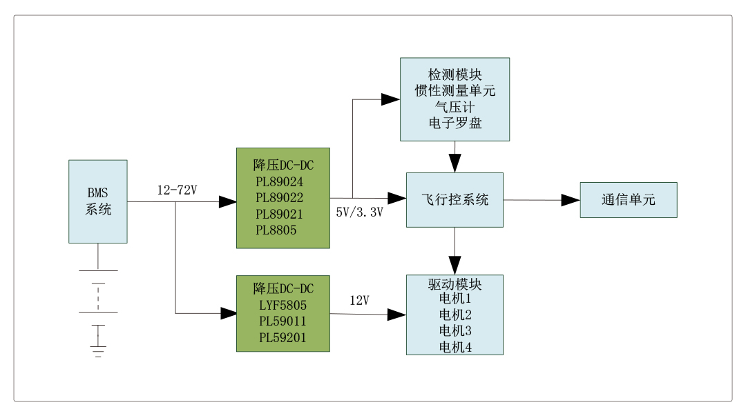
三、回收利用計劃方案
序號 | 標題 |
1 |
無人機電源利用計劃
|